電動車控制器電路圖
2015-07-21
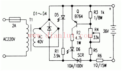
了解和熟悉電動車控制器電路圖和電路工作原理,對于電動車維修工和研發人員是基本知識,不同品牌的電動車控制器電路圖會有所不同,工作原理卻大同小異,因此對于明白電動車控制器工作原理的維修人員,只要熟悉掌握市場上流行的電動車控制器品牌電路圖,控制器維修也就依葫蘆畫瓢、事半功倍了。



下一篇: SDJ電機控制器在電動觀光車上的應用
2015-07-21
了解和熟悉電動車控制器電路圖和電路工作原理,對于電動車維修工和研發人員是基本知識,不同品牌的電動車控制器電路圖會有所不同,工作原理卻大同小異,因此對于明白電動車控制器工作原理的維修人員,只要熟悉掌握市場上流行的電動車控制器品牌電路圖,控制器維修也就依葫蘆畫瓢、事半功倍了。


